27 Oct,2025
Hidrolik Çevirme Tahriklerinin Performansı Geleneksel Dişli Sistemleriyle Nasıl Karşılaştırılır?


Yüksek basınçlı, yüksek hızlı tahrikli, balans valfli motorlar,
Yüksek yük koşulları için tasarlanmıştır
6 ila 50 ton arası hidrolik ekskavatör için ideal çözümdür
Verimli ve kompakt tasarım
Yüksek basınç teknolojisi hidrolik sistemin verimliliğini artırır
Entegre balans vanası ve basınç tahliye vanasına sahip iki hızlı motor
Motor hidrolik frenleme fonksiyonunu entegre eder
Hız istek üzerine otomatik olarak değiştirilebilir
Düşük sıcaklık, yüksek verimlilik
Çalışma sıcaklığı aralığı: -20°C~80°C
Kompakt tasarım
Düşük deplasmanlı yüksek basınçlı motorlar, önemli bileşenlerin servis ömrünü uzatır ve tüm sistemi iyileştirir
Sistemin dayanıklılığı
Hidrolik piston dönüşü için tamamen bakır astar
Çift metal (bakır/çelik) dağıtım tepsisi
Özel yay sistemi ile dönüş kombinasyonu motorun ömrünü uzatır
Redüktörün üçlü sızdırmazlık sistemi: mekanik labirent conta, V tipi yağ keçesi, ana yağ keçesi.
Ana yağ keçesi redüktörü sökmeden değiştirilebilir
Redüktörün yatakları bağımsız bileşenlerdir, kurulumu kolaydır ve negatif yükler için tamamen önceden ayarlanabilir
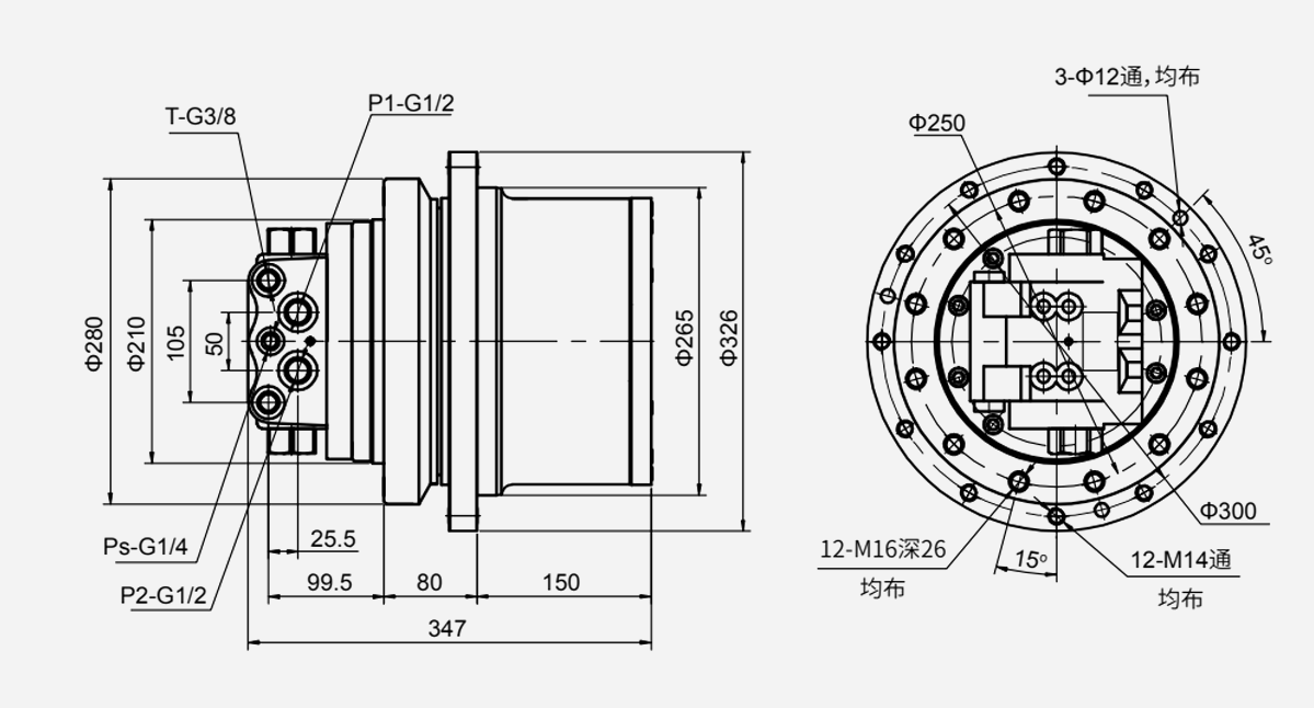
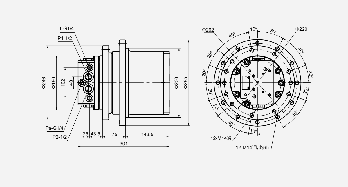
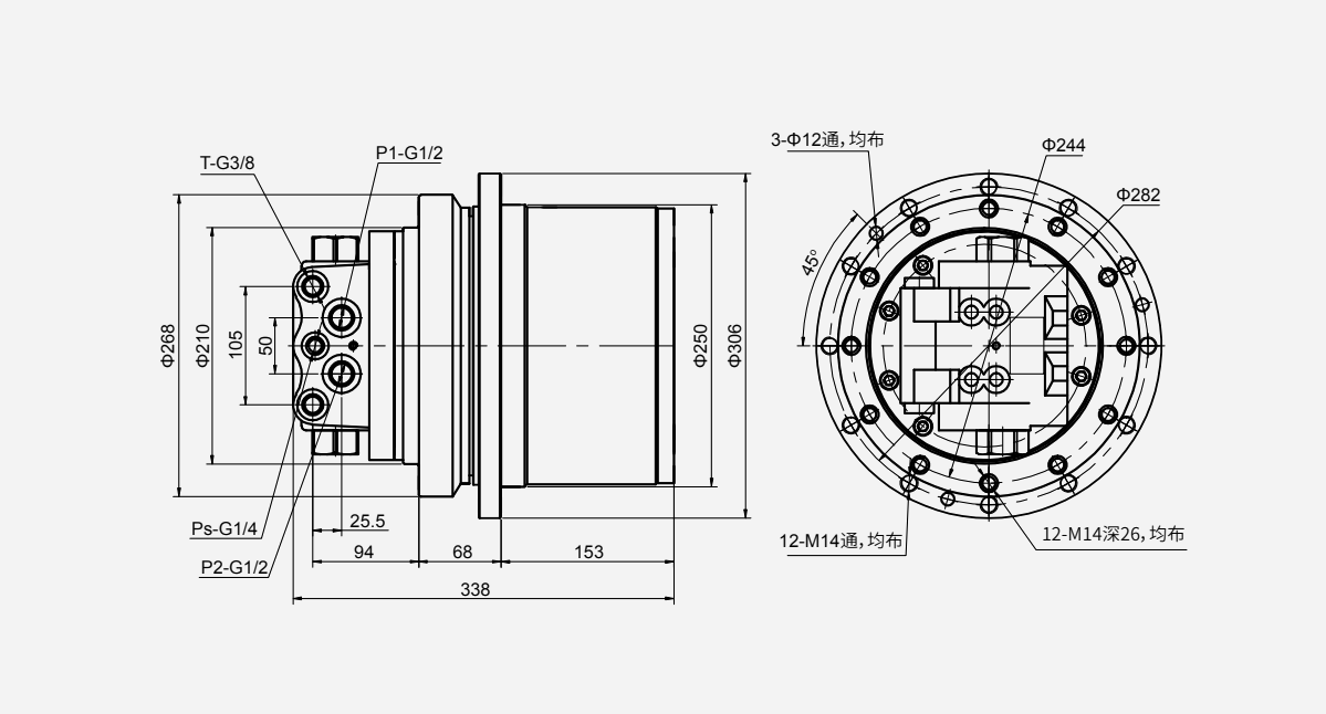
ITM01:
| Modal | (L/dak) | (ML/r) | (Mpa) | (Mpa) | Dişli oranı | (Nm) | (dev/dak) | Döndürme | (°C) | (mm2/sn) |
| ITM01 | 20 | 6.31/12.56 | 25 | 2-7 | 36.96 | 1845 | 85.8/43 | çift yönlü | -20- 80 | 16-25 |
| Modal | (L/dak) | (ML/r) | (Mpa) | (Mpa) | Dişli oranı | (Nm) | (dev/dak) | Döndürme | (°C) | (mm2/sn) |
| ITM03 | 40 | 12/18 | 21 | 2-7 | 45.2 | 2719 | 55/37 | çift yönlü | -20- 80 | 16-25 |
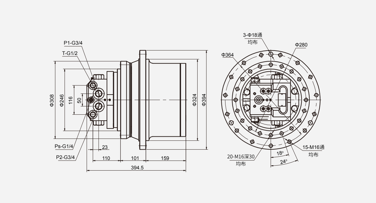
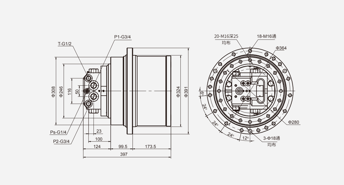
ITM04:
| Modal | (L/dak) | (ML/r) Motor | (Mpa) | (Mpa) | Dişli oranı | (Nm) | (dev/dak) | Döndürme | (°C) yağ | (mm2/sn) |
| ITM04 | 40 | 14,3/23,6 | 21 | 2-7 | 52.7 | 4200 | 55/33 | çift yönlü | -20- 80 | 16-25 |
| Modal | (L/dak) Giriş akışı | (ML/r) | (Mpa) | (Mpa) | Dişli oranı | (Nm) | (dev/dak) | Döndürme | (°C) | (mm2/sn) |
| ITM06 | 50 | 19/34 | 24.5 | 2-7 | 47.53 | 6300 | 55/30 | çift yönlü | -20- 80 | 16-25 |
| Modal | (L/dak) Giriş akışı | (ML/r) | (Mpa) Çalışma Basıncı | (Mpa) | Dişli oranı | (Nm) | (dev/dak) | Döndürme | (°C)yağ | (mm2/sn) |
| ITM07 | 50 | 22/44 | 27.5 | 2-7 | 53.706 | 10500 | 50/25 | çift yönlü | -20- 80 | 16-25 |
ITM09:
| Modal | (L/dak) | (ML/r) | (Mpa) | (Mpa) | Dişli oranı | (Nm) | (dev/dak) | Döndürme | (°C) | (mm2/sn) |
| ITM09 | 80 | 34/53 | 30 | 2-7 | 53.7 | 11500 | 51/33 | çift yönlü | -20- 80 | 16-25 |
| Modal | (L/dak) | (ML/r) | (Mpa) | (Mpa) | Dişli oranı | (Nm) | (dev/dak) | Döndürme | (°C) | (mm2/sn) |
| ITM10 | 80 | 38/65 | 25 | 2-7 | 53.7 | 13000 | 51/33 | çift yönlü | -20- 80 | 16-25 |
| Modal | (L/dak) | (ML/r) | (Mpa) | (Mpa) | Dişli oranı | (Nm) | (dev/dak) | Döndürme | (°C) | (mm2/sn) |
| ITM18 | 130 | 43/67 | 30 | 2-7 | 53 | 16900 | 57/37 | çift yönlü | -20- 80 | 16-25 |
| Modal | (L/dak) | (ML/r) | (Mpa) | (Mpa) | Dişli oranı | (Nm) | (dev/dak) | Döndürme | (°C) | (mm2/sn) | Uygulanabilir modeller |
| ITM22 | 130 | 48/81 | 34.3 | 2-7 | 53.7 | 23700 | 50/30 | çift yönlü | -20- 80 | 16-25 | 13-17 |
| Modal | (L/dak) | (ML/r) | (Mpa) | (Mpa) | Dişli oranı | (Nm) | (dev/dak) Teorik | Döndürme | (°C) | (mm2/sn) |
| ITM40 | 230 | 99/147 | 34.3 | 2-7 | 50.5 | 40546 | 50/32 | çift yönlü | -20- 80 | 16-25 |
| Modal | (L/dak) | (ML/r) | (Mpa) | (Mpa) | Dişli oranı | (Nm) | (dev/dak) | Döndürme | (°C) | (mm2/sn) |
| ITM60 | 330 | 195/120 | 34.3 | 2-7 | 63.84 | 67000 | 40/26 | çift yönlü | -20- 80 | 16-25 |
Ünlü işletmelerin sağladığı ürünler, kullanıcılar tarafından derinden güvenilmektedir.
Yılların Sektör Deneyimi
Fabrika Alanı
Yetenekli Çalışanlar
Gelişmiş Üretim Hattı
INI Hydraulic Co., Ltd. Hidraulik kanatlar, hidrolik motörler ve gezegen gemileri tasarlamak ve üretmek için 20 yıldan fazla özellikler var. Asya'daki Profesyonel Yapılama Makinelerinden biriyiz. Müşterilerin geniş ekipman tasarımlarını iyileştirmek, pazarda güçlü olarak yaşamamızın yolu. 26 yıl boyunca, müşterilerin ihtiyaçlarını sağlamak için her zaman yenileme yapılmasına dayanarak, kendi geliştirilmiş teknolojilerimize dayanan geniş bir sürü ürün hatlarını geliştirdik. Üretimlerin geniş spektrumu, yakınlaştığı her bağlantı, hidrolik ve elektrik kanatlar, gezegen gemileri, kaldırma sürücüler, transmis sürücüler, hidrolik motorlar, pump ve hidrolik sistemler içerir.
Ürünlerimizin güvenilirliği, endüstriyel makineler, inşaat makineleri, gemi ve güverte makineleri, açık deniz ekipmanları, madencilik ve metalurji makineleri dahil olmak üzere, bunlarla sınırlı olmamak üzere çeşitli uygulamalarda güçlü bir şekilde kanıtlanmıştır.
Ayrıca ürün kalitemiz dünya çapında tanınmış birçok sertifika kuruluşu tarafından onaylanmıştır. Ürünlerimizin almış olduğu sertifikalar arasında EC-Tip İnceleme Sertifikası, BV MODE, DNV GL Sertifikası, EC Uygunluk Beyanı, Deniz Ürünleri Tip Onayı Sertifikası ve Lloyd's Register Kalite Güvencesi bulunmaktadır. Şu ana kadar iç pazarımız olan Çin'in yanı sıra Amerika, Almanya, Hollanda, Avustralya, Rusya, Türkiye, Singapur, Japonya, Güney Kore, Malezya, Vietnam, Hindistan ve İran'a da geniş çapta ürünlerimizi ihraç ettik. Müşterilerimizin derin çıkarları için lojistik ve satış sonrası hizmetlerimiz hızlı ve güvenilir bir şekilde tüm dünyayı kapsamaktadır.
27 Oct,2025
20 Oct,2025
13 Oct,2025
06 Oct,2025
29 Sep,2025
22 Sep,2025
TOP