02 Feb,2026
Endüstriyel Hidrolik Motorlar Performans Açısından Pnömatik Motorlarla Nasıl Karşılaştırılır?






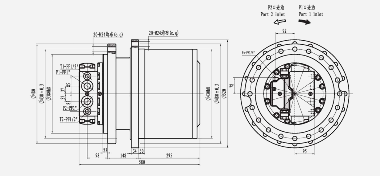
| Maks. Çıkış Torku | Maks. Toplam Yer Değiştirme | Maks. Motor Hacmi | Dişli Oranı | Maks. Hız | Maks. Oran | Maks. Akış | Maks. Basınç | Yığın | Uygulanabilir Araç Ağırlığı |
| Nm | ml/dev | ml/dev | devir/dakika | Yüksek/Düşük | L/dak | MPa | Kilogram | Ton | |
| 80000 | 31814.6 | 171.6 | 76,7·99 | 2500 | Maks. 2 | 250 | 35 | 435 | 35-50 |
| 171,6/111 |
Ünlü işletmelerin sağladığı ürünler, kullanıcılar tarafından derinden güvenilmektedir.
Yılların Sektör Deneyimi
Fabrika Alanı
Yetenekli Çalışanlar
Gelişmiş Üretim Hattı
INI Hydraulic Co., Ltd. Hidraulik kanatlar, hidrolik motörler ve gezegen gemileri tasarlamak ve üretmek için 20 yıldan fazla özellikler var. Asya'daki Profesyonel Yapılama Makinelerinden biriyiz. Müşterilerin geniş ekipman tasarımlarını iyileştirmek, pazarda güçlü olarak yaşamamızın yolu. 26 yıl boyunca, müşterilerin ihtiyaçlarını sağlamak için her zaman yenileme yapılmasına dayanarak, kendi geliştirilmiş teknolojilerimize dayanan geniş bir sürü ürün hatlarını geliştirdik. Üretimlerin geniş spektrumu, yakınlaştığı her bağlantı, hidrolik ve elektrik kanatlar, gezegen gemileri, kaldırma sürücüler, transmis sürücüler, hidrolik motorlar, pump ve hidrolik sistemler içerir.
Ürünlerimizin güvenilirliği, endüstriyel makineler, inşaat makineleri, gemi ve güverte makineleri, açık deniz ekipmanları, madencilik ve metalurji makineleri dahil olmak üzere, bunlarla sınırlı olmamak üzere çeşitli uygulamalarda güçlü bir şekilde kanıtlanmıştır.
Ayrıca ürün kalitemiz dünya çapında tanınmış birçok sertifika kuruluşu tarafından onaylanmıştır. Ürünlerimizin almış olduğu sertifikalar arasında EC-Tip İnceleme Sertifikası, BV MODE, DNV GL Sertifikası, EC Uygunluk Beyanı, Deniz Ürünleri Tip Onayı Sertifikası ve Lloyd's Register Kalite Güvencesi bulunmaktadır. Şu ana kadar iç pazarımız olan Çin'in yanı sıra Amerika, Almanya, Hollanda, Avustralya, Rusya, Türkiye, Singapur, Japonya, Güney Kore, Malezya, Vietnam, Hindistan ve İran'a da geniş çapta ürünlerimizi ihraç ettik. Müşterilerimizin derin çıkarları için lojistik ve satış sonrası hizmetlerimiz hızlı ve güvenilir bir şekilde tüm dünyayı kapsamaktadır.
02 Feb,2026
26 Jan,2026
19 Jan,2026
12 Jan,2026
05 Jan,2026
29 Dec,2025
TOP